IP3000L 电动推杆
产品简介
IP3000L电动推杆,体积小,噪声底,适用场合广泛,包括医疗、工业、家居、农业机械、餐饮、通风设施等场合。
操作简单,易上手,安装方便,不受空间约束,可以节约能源,简单实现自动化。
本产品是代替液压,气动等产品的理想产品。
产品描述
● 铝合金外管和内管,美观并耐腐蚀
● 颜色:灰黑
● 防护等级:IP43
● 推力:3000N
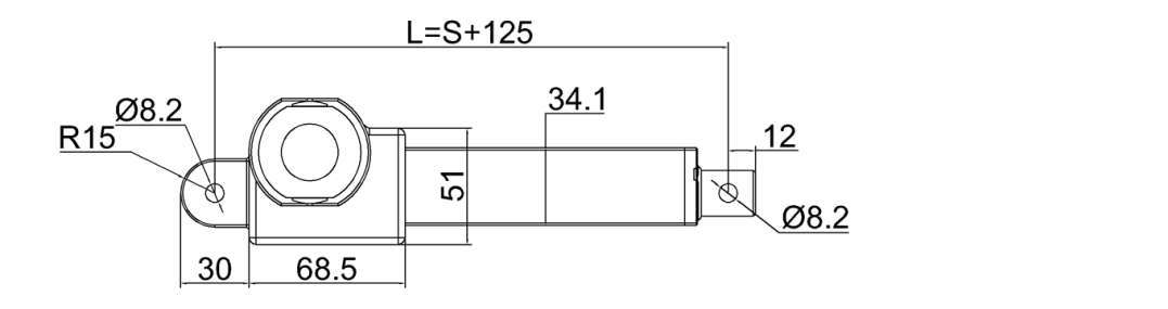
● 安装尺寸(mm):L=S+125
● 噪音:平均噪音水平低于 60dB(环境噪音≤40dB)
● 内置限位开关
● T型丝杆
● 可附加功能:霍尔传感器,磁感应开关,信号反馈以及上位机控制。
● 工作电压:DC24V,12V或36V也可定制(请联系)
● 重量:约 0.9Kg(不同行程/安装距,重量有差异)
● 静态弯矩:不允许侧向负载
技术参数
|
电压 |
DC24V (定制 12V/36V) |
||||||||||
|
空载速度(mm/s) |
5 |
10 |
13 |
15 |
20 |
30 |
40 |
52 |
66 |
88 |
|
|
推力(N) |
3000 |
1300 |
1200 |
900 |
700 |
450 |
300 |
300 |
200 |
100 |
|
|
拉力(N) |
3000 |
1300 |
1200 |
900 |
700 |
450 |
300 |
300 |
200 |
100 |
|
|
自锁力(N) |
3000 |
1300 |
1200 |
900 |
700 |
450 |
200 |
200 |
100 |
100 |
|
|
行程(MM) |
30mm-1600mm |
||||||||||
|
工作温度 |
0℃ ~+40℃ |
||||||||||
|
限位开关 |
内置 |
||||||||||
|
工作频率 |
10%,最多连续工作2分钟 |
||||||||||
|
内管 |
铝管 |
||||||||||
|
丝杆类型 |
T型丝杆 |
||||||||||
|
可选特性 |
加装霍尔传感器 |
||||||||||
|
加装磁感应开关 |
|||||||||||
|
加装信号反馈 |
|||||||||||
|
上位机控制 |
|||||||||||
外形尺寸图

